P60 Speed Regulation (Bracket)
General Specification
| Type | Three Phase Brushless Constant Speed |
|---|---|
| Structure | Inner rotor single bearing |
| Ambient Temp | -40 ~ 125℃ |
| Ambient Humidity | <95%RH |
| IP Grade | IP67 |
| Insulation Class | H |
| Noise | 45 Db |
| Liquid | Water, anti freeze |
| Speed range | 10% - 100% |
| Motor Type | PMSM |
| Fluid Temperature | -40℃~ 100℃ |
| Speed control | PWM Duty, TTL level, 20-1000 HZ frequency |
Performance Data
| Model Units | Units | P6012V55WBA06 | P6024V55WBA06 | P6012V70WBA07 | P6024V70WBA07 |
|---|---|---|---|---|---|
| Rated Voltage | Volts | 12 | 24 | 12 | 24 |
| Rated Current | Amps | 4.6 | 2.6 | 5.8 | 2.9 |
| Rated Power | Watts | 55 | 55 | 70 | 70 |
| Maximum Flow Rate | L/min | 38 | 38 | 43 | 43 |
| Maximum Head | Metres | 6.2 | 6.2 | 7.5 | 7.5 |
| Duty Point | L/min metres | 20/7.0 | 20/7.0 | 16/8.16 | 16/8.16 |
| Weight | Kg | Approx 0.42 | Approx 0.42 | Approx 0.42 | Approx 0.42 |
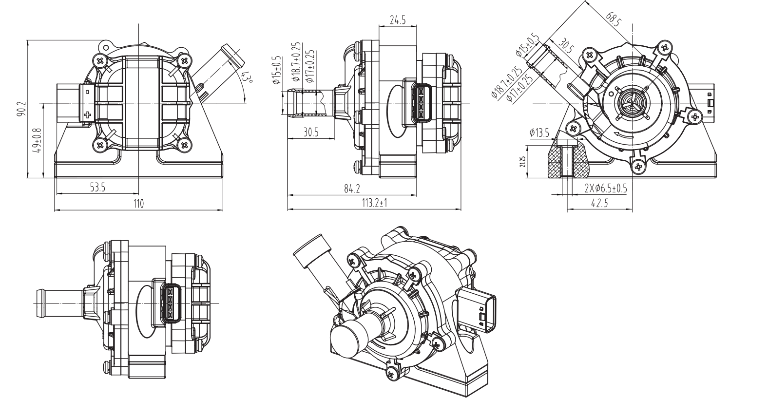
| Length | mm | 118 | 118 | 118 | 118 |
