General Specification
Type | Three phase brushless speed regulation |
---|---|
Structure | Inner rotor double bearing |
Ambient Temp | -40 ~ 125℃ |
Ambient Humidity | <95%RH |
IP Grade | IP67 |
Insulation Class | H |
Noise | 45 Db |
Liquid | Water, anti freeze |
Speed range | 10% - 100% |
Speed control | PWM Duty, TTL level, 20-1000 HZ frequency |
Motor Type | PMSM |
Fluid Temperature | -40℃~ 100℃ |
Performance Data
Model | Units | P8012V300WBD01 | P8024V300WBD01 | P8012V360WBD02 | P8024V360WBD02 | P8024V720WBD08 |
---|---|---|---|---|---|---|
Rated Voltage | Volts | 12 | 24 | 12 | 24 | 24 |
Rated Current | Amps | 25 | 3.75 | 30 | 15 | 33 |
Rated Power | Watts | 300 | 90 | 360 | 360 | 720 |
Maximum Flow Rate | L/min | 202 | 43 | 212 | 212 | 226 |
Maximum Head | Metres | 8.6 | 7.5 | 9.6 | 9.6 | 13.1 |
Duty Point | L/min metres | 120/6.94 | 120/6.94 | 122/7.3 | 122/7.3 | 185/9.11 |
Weight | Kg | Approx 2.0 | Approx 2.0 | Approx 2.0 | Approx 2.0 | Approx 2.0 |
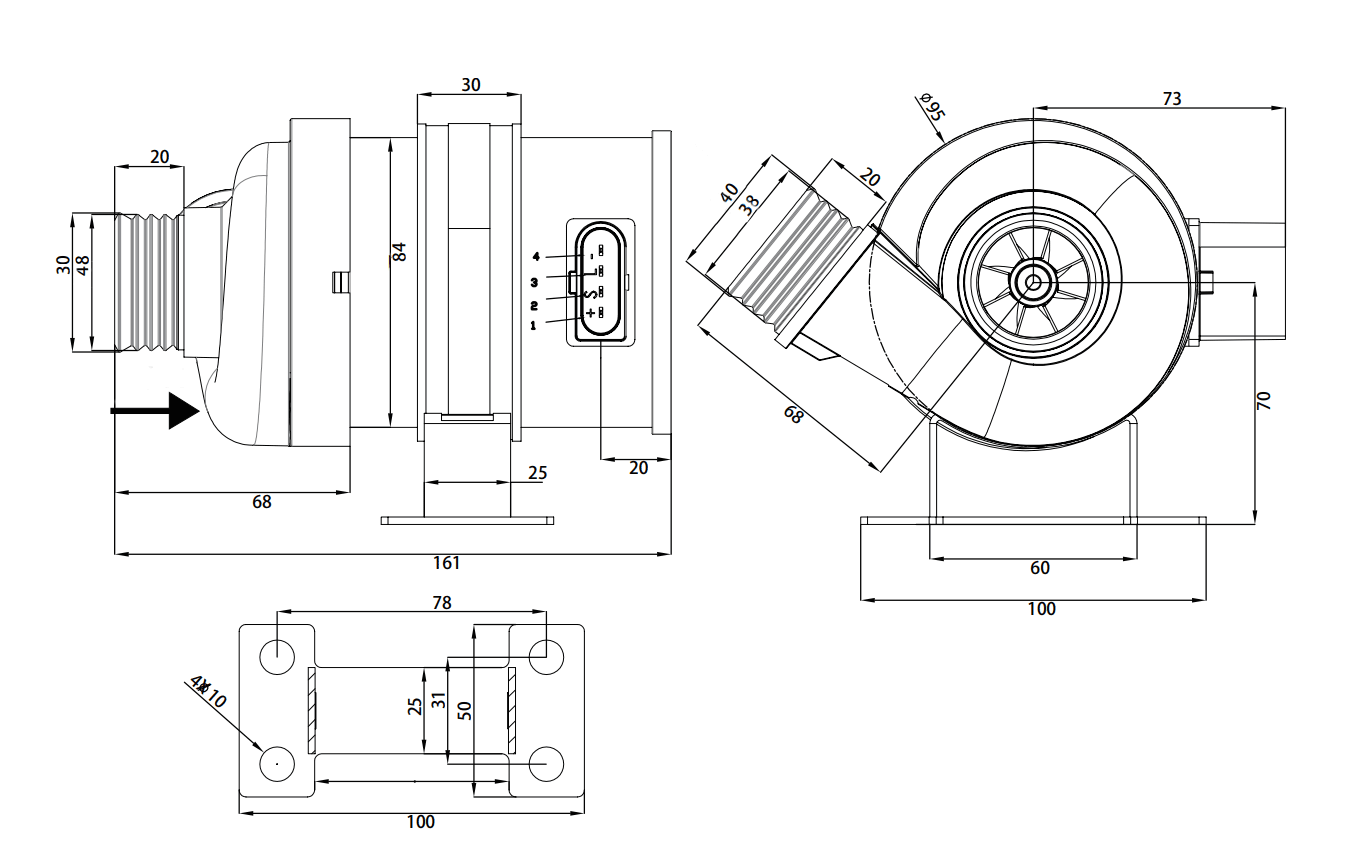
Length | mm | 161 | 161 | 161 | 161 | 161 |
