P70 Speed Regulation Double Bearing
General Specification
| Type | Three phase brushless speed regulation |
|---|---|
| Structure | Inner rotor double bearing |
| Ambient Temp | -40 ~ 125℃ |
| Ambient Humidity | <95%RH |
| IP Grade | IP67 |
| Insulation Class | H |
| Noise | 45 Db |
| Liquid | Water, anti freeze |
| Speed range | 10% - 100% |
| Speed control | PWM Duty, TTL level, 20-1000 HZ frequency |
| Motor Type | PMSM |
| Fluid Temperature | -40℃~ 100℃ |
Performance Data
| Model Units | Units | P7012V150WBD01 | P7024V150WBD01 | P7012V240WBD02 | P7024V240WBD02 | P7012V115WBD04 | P7024V115WBD04 | P7012V180WBD05 | P7024V180WBD05 |
|---|---|---|---|---|---|---|---|---|---|
| Rated Voltage | Volts | 12 | 24 | 12 | 24 | 12 | 24 | 12 | 24 |
| Rated Current | Amps | 12.5 | 6.25 | 20 | 10 | 9.6 | 4.8 | 15 | 7.5 |
| Rated Power | Watts | 150 | 150 | 240 | 240 | 115 | 115 | 240 | 240 |
| Maximum Flow Rate | L/min | 51.7 | 51.7 | 69 | 69 | 49 | 49 | 58 | 58 |
| Maximum Head | Metres | 12.8 | 12.8 | 19 | 19 | 8.4 | 8.4 | 15.6 | 15.6 |
| Duty Point | L/min metres | 35/10 | 35/10 | 50/12.26 | 50/12.26 | 35/7.46 | 35/7.46 | 45/10.02 | 45/10.02 |
| Weight | Kg | Approx 0.75 | Approx 0.75 | Approx 0.75 | Approx 0.75 | Approx 0.75 | Approx 0.75 | Approx 0.75 | Approx 0.75 |
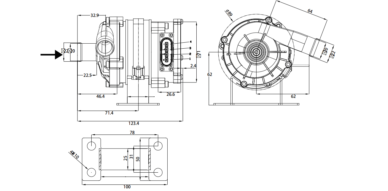
| Length | mm | 123.5 | 123.5 | 123.5 | 123.5 | 123.5 | 123.5 | 123.5 | 123.5 |
